Keil Uvision4是一款简单易用的开发环境软件,整合了许多实用性功能与一体的工具,不管是c语言还是数据库管理,多种专业相关领域的功能都可以完美的呈现给使用者,并且最重要的是本文中winwin7为大家带来的 Keil Uvision4为绿色破解版,下载后安装破解即可免费使用!

keil uvision4使用
1、先安装MDK412.exe,然后打开File的License Management拷贝CID编号。
2、打开KEIL_Lic.exe,target选择arm;
3、把MDK4.12的CID编号粘贴到下图CID里面,点击Generate。

4、把上图红方框内生成的注册码,拷贝到下图的New License ID Code内,点击AddLIC就大工告成了。
5、如果截止日期太短的话,就继续用keil_Lic生成注册码注册就可以!!!!

keil uvision4使用方法
1.实验仿真板的安装
这两块仿真实验板实际上是两个dll文件,名称分别是ledkey.dll和simboard.dll,安装时只要根据需要将这两个或某一个文件拷贝到keil软件的c51bin文件夹中即可

2.实验仿真板的使用
要使用仿真板,必须对工程进行设置,设置的方法是点击Project->OptionforTarget‘Target1’打开对话框,然后选中Debug标签页,在Dialog:Parameter:后的编缉框中输入-d文件名。例如要用ledkey.dll(即第一块仿真板)进行调试,就输入-dl

3.实例调试
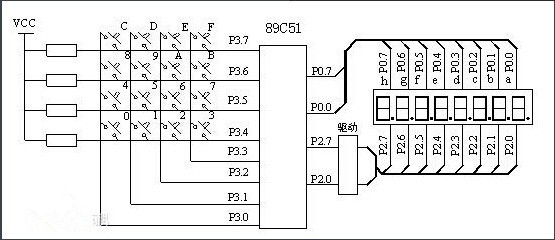
以下以一个稍复杂的程序为例,说明键盘、LED显示实验仿真板的使用。该程序实现的是可控流水灯,接P3.2的键为开始键,按此键则灯开始流动(由上而下),接P3.3的键为停止键,按此键则停止流动,所有灯暗,接P3.4的键为向上键,按此键则灯由上向下流动,接P3.5的键为向下键,按此键则灯由下向上流动

Keil Uvision4特点
keil 4可以帮你编写程序,检测程序,简单的说就是通过这款软件将高级语言翻译成单片机能识别的语言,keil uvision4可以用在汇编语言、c语言等等。realview mdk开发工具中集成了最新版本的keil μvision4,其编译器、调试工具实现与arm器件的最完美匹配。
Keil Uvision4特征
1.多显示器和灵活的窗口管理系统
2.多项目工作区简化与众多的项目
3.系统浏览器窗口的显示设备外设寄存器信息
4.调试还原视图创建并保存多个调试窗口布局
Keil Uvision4功能
-实验模拟仿真板的安裝
这两块模拟仿真实验板事实上是2个dll文档,名字分别是ledkey.dll和simboard.dll,安裝时只需依据必须将这两个或某一个文档拷到keil手机软件的c51\bin文件夹名称中就可以
-案例调试
下列以一个稍繁杂的程序流程为例子,表明电脑键盘、led显示实验模拟仿真板的应用。该程序代码的是可控性流水灯,接p3.2的键为逐渐键,按此键则灯逐渐流动(自上而下),接p3.3的键为终止键,按此键则终止流动,全部灯暗,接p3.4的键为往上键,按此键则灯由上向下流动,接p3.6的键为向下键,按此键则灯从下向上流动
-实验模拟仿真板的应用
要应用模拟仿真板,务必对工程项目开展设定,设定的方式是点一下project->optionfortarget‘target1’开启提示框,随后选定debug标签页,在dialog:parameter:后的编缉框中输入-d文件夹名称。比如要用ledkey.dll(即第一块模拟仿真板)开展调试,就输入-dledkey,如图所示3所显示,输入结束后点一下明确撤出。编译程序、联接进行后按ctrl+f5进到调试,这时,点击菜单peripherals,即会空出一项“电脑键盘led模拟仿真板(k)”,选定此项,即会发生如图所示1的页面,一样,在设定时假如输入-dsimboard则可以调成如图2的页面
